Wszystkie średnice tego produktu w dużych ilościach są dostępne w magazynie.
Skontaktuj się z naszym konsultantem, aby dowiedzieć się o cenie i złożyć zamówienie.
Promocja!
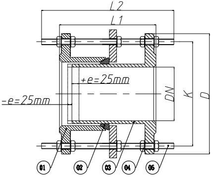
Wstawka montażowa DN100
Ten produkt posiada: Atest higieniczny PZH
Krajowa deklaracja właściwości użytkowych KDWU
1. Cechy
-
Umożliwia łatwy montaż i demontaż armatury przemysłowej na rurociągu
-
Zapewnia kompensację przemieszczenia osiowego rur podczas montażu / demontażu.
2. Dane techniczne
-
Średnica nominalna DN 50 - 800 mm.
-
Kołnierze owiercone według EN 1092-2 ciśnienie PN10
-
Сiśnienie nominalne: PN10
-
Temperatura pracy do +70 °C
-
Farba proszkowa epoksydowa grubośc min. 250um
3. Materiały
|
№ |
NAZWA CZĘŚCI: |
MATERIAŁ: |
|
1 |
Kołnierz |
Żeliwo sferoidalne EN-GJS-400-15 |
|
2 |
Uszczelka |
Guma EPDM |
|
3 |
Kołnierz |
Żeliwo sferoidalne EN-GJS-400-15 |
|
4 |
Nakrętka |
Stal ocynkowana klasa 8.8 |
|
5 |
Śruba |
Stal ocynkowana klasa 8.8 |
4. Wymiary
|
DN |
D mm |
K mm |
L1 mm |
L2 mm |
Śruba |
Waga kg |
|
|
M |
n |
||||||
|
50 |
165 |
125 |
200 |
310 |
M16 |
4 |
11 |
|
80 |
200 |
160 |
210 |
330 |
M16 |
8 |
17 |
|
100 |
220 |
180 |
230 |
350 |
М16 |
8 |
22 |
|
150 |
285 |
240 |
200 |
360 |
М20 |
8 |
30 |
|
200 |
340 |
295 |
220 |
390 |
М20 |
8 |
42 |
|
250 |
400 |
350 |
240 |
390 |
М20 |
12 |
54,8 |
|
300 |
455 |
400 |
270 |
400 |
М20 |
12 |
73,7 |
|
400 |
580 |
515 |
280 |
430 |
М24 |
16 |
120.2 |
|
500 |
670 |
620 |
285 |
450 |
М24 |
20 |
174,6 |
|
600 |
760 |
675 |
290 |
470 |
М27 |
20 |
220,1 |
Oferowana wstawka montażowa DN100 to gwarancja bezpieczeństwa i długiej żywotności instalacji przemysłowej. Wyprodukowana z wysokiej jakości materiałów umożliwia sprawne łączenie rur z kształtkami i armaturą odcinającą i regulacyjną. Dzięki odporności na czynniki zewnętrzne wstawka pozwala na efektywną realizację zadań w wymagających warunkach. Zapraszamy do zapoznania się ze szczegółami oferty!
Wstawka kształtka montażowo demontażowa kołnierzowa żeliwna
Wstawka kształtka montażowo demontażowa kołnierzowa wykonana z żeliwa sferoidalnego służy do łączenia elementów kołnierzowych i ma za zadanie usprawnić montaż oraz demontaż elementu kołnierzowego do rurociągu. Dzięki zastosowaniu wstawki montażowej ułatwiony zostaje montaż armatury przemysłowej bez naruszania konstrukcji rurociągu. Jako łącznik kompensacyjny umożliwia regulowanie długości instalacji wodociągowych, kanalizacyjnych i innych. Stanowi zabezpieczenie przy występowaniu naprężeń wzdłużnych i gwarantuje ciągłą odporność mechaniczną.
Kształtka montażowo demontażowa – wykonanie
Żeliwna kształtka montażowo demontażowa produkowana jest z żeliwa sferoidalnego EN-GJS-500-7. Została zabezpieczona przed korozją farbą proszkową epoksydową (grubość min. 250 um). Wstawka montażowa posiada uszczelkę z gumy EPDM, doskonale chroniącą przed przeciekami. Każda śruba oraz nakrętka wykonana jest ze stali ocynkowanej klasy 8.8.
W naszym asortymencie dostępne są kształtki montażowo demontażowe kołnierzowe o średnicy nominalnej w zakresie DN 50 - 800 mm. Produkt charakteryzuje się doskonałymi właściwościami wytrzymałościowymi i odpornością na destrukcyjne działanie wilgoci.
